Точное демпфирование
Компактная конструкция
Технология без обратного привода
Нулевое техническое обслуживание
Быстрая установка
Устойчивость к температуре
Шумоподавление
Интеллектуальный мониторинг
MOQ:2000
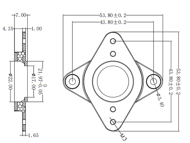
Амортизатор шагового двигателя изготовлен из высококачественных материалов и имеет характеристики термостойкости, устойчивости к окислению, антирезонанса и снижения шума. Энергопоглощающая резина поглощает удары и улучшает устойчивость, заставляя шаговый двигатель работать плавно на низких скоростях и обеспечивает высокий крутящий момент на высоких скоростях. Эта амортизаторная подушка использует резиновую буферную конструкцию между металлическими установочными пластинами, что эффективно снижает затраты, уменьшает вибрацию и шум, а также улучшает эффект.
мотоцикла карбюратор впускной коллектор загрузки универсальный шарнир для
Точное демпфирование - Минимизирует микровибрации (смещение ≤0,01 мм) для позиционирования с высоким разрешением.
Компактная конструкция - Компактный форм-фактор (размеры 20-100 мм) для встроенных установок.
Технология без обратного привода - предотвращает обратную передачу энергии для защиты валов двигателя.
Нулевое техническое обслуживание - Герметичее вязкая жидкость для демпфирования с пожизненной смазкой.
Быстрая установка - Варианты болтов/закрепляющейся установки со стандартными схемами крепления NEMA.
Устойчивость к температуре - Стабильная производительность от -30°C до +85°C.
Шумоподавление -Снижает уровень эксплуатационного шума на 12 дБ(А) по сравнению с жёсткими соединительными муфтами.
Интеллектуальный мониторинг - Дополнительные тензометры для анализа вибрации в режиме реального времени.
Приложения:
Оборудование с ЧПУ - Шпиндельные приводы, линейные приводы
3D-печать - Высокоточное позиционирование экструдера
Медицинские приборы - роботы МРТ, хирургические суставы рук
Полупроводник - Вафельные степперы, блоки выбора и размещения
Автоматизация - рычаги SCARA, таблицы поворотных индексов
Оптика - Механизмы фокусировки телескопа, лазерное выравнивание
Преимущества:
На 30% больше срок службы двигателя - Уменьшает износ подшипника от гармонических вибраций
Субмикронная точность - Поддерживает повторяемость позиционирования в пределах ±0,005 мм
Plug-and-Play - Не требуется повторная калибровка после установки
Энергоэффективность - восстанавливает 8% кинетической энергии с помощью регенеративного демпфирования
Глобальные сертификаты - Соответствует IEC 61800-3, ISO 1940-1 Class G1.0
Настраиваемый - Доступны размеры вала от Ø3 мм до 50 мм






