Усовершенствованная конструкция с ножом
Двойная система крепежа
Низкопарцитная производительность
Сверхмощная конструкция
Устойчивость к температуре
Компактный дизайн
Быстрая установка
Пользовательские конфигурации
MOQ:2000
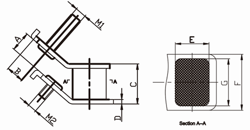
Крепления генератора AV-типа (также известные как V-образные крепления или изоляторы сдвига) имеют два симметрично наклонных металлических компонента, каждый из которых оснащен винтом. Эта V-образная конфигурация обеспечивает большую гибкость установки по сравнению с обычными цилиндрическими или катушкообразными креплениями, обеспечивая более низкую частотную изоляцию вибрации. Симметричная установка этих креплений еще больше повышает стабильность системы. Устройства поставляются с двумя винтами разной длины для облегчения сборки двигателя и шасси, при этом нестандартная длина винтов доступна по запросу клиента.
Другие крепления AV
Усовершенствованная конструкция с ножом - V-образная конфигурация обеспечивает разнонаправленную изоляцию вибрации
Двойная система крепежа - Включает как короткие, так и длинные коррозионностойкие винты (M10-M24)
Низкопарцитная производительность - Эффективная изоляция от 5 Гц (идеально подходит для приложений генератора)
Сверхмощная конструкция - кованая сталь с цинковым покрытием или дополнительная нержавеющая сталь 316
Устойчивость к температуре - Рабочий диапазон от -40°C до +150°C
Компактный дизайн - Компактный дизайн экономит пространство на 25% по сравнению с обычными креплениями
Быстрая установка - Предварительно собранные устройства с маркировкой выравнивания
Пользовательские конфигурации - Доступны в нескольких размерах (емкость 50 кг-3000 кг)
Приложения:
Генерация электроэнергии: дизельные/газовые генераторы (5 кВА-3 МВА)
Морские системы: основные и вспомогательные двигатели (соответствует требованиям IMO)
Промышленное оборудование: насосы, компрессоры, оборудование с ЧПУ
Мобильные приложения: строительная техника, генераторы, установленные на транспортных средствах
Системы отопления, вентиляции и кондиционирования воздуха: большие чиллеры и градирни
Военное использование: полевые генераторы и мобильные энергоблоки
Преимущества:
На 45% лучшая виброизоляция, чем стандартные цилиндрические крепления
Увеличенный срок службы оборудования - Уменьшает структурные нагрузки до 60%
Повышенная стабильность - Симметричная конструкция минимизирует качание
Устойчивость к коррозии - 2000-часовое тестирование соляным распылением (ISO 9227)
Простота обслуживания - Пожизненное уплотнение, смазка не требуется
Экономичность - на 30% дольше срок службы, чем у конкурентов
Сертифицировано по безопасности - Соответствует стандартам ISO 1940-1 и ANSI S2.19








