Стандартный амортизатор DD
Двунаправленное демпфер
Сверхмощная конструкция
Широкий диапазон нагрузки
Коррозионная стойкость
Диапазон температур
Низкопрофильная конструкция
Простая установка
Не требует технического обслуживания
MOQ:2000
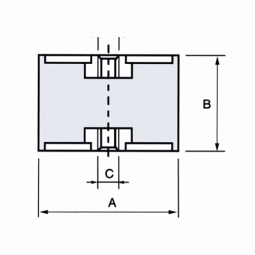
DD - это ТИП ЖЕНСКОГО/ЖЕНСКОГО БОБИНА. Диапазон размеров доступен в различных размерах от 8 до 150 мм, подходит для использования в любом приложении, нуждаю в вибрационной изоляции, где требуется мужская/мужская резьба. Они доступны в натуральном каучуке в стандартной комплектации, но другие соединения доступны по запросу. Металлические детали из нержавеющей стали также доступны по запросу для крупных заказов.
Стандартный амортизатор DD
Особенности:
Двунаправленное демпфер - эффективно как на вертикальных, так и на горизонтальных осях
Сверхмощная конструкция - Усиленная стальная рама с высококачественным резиновым элементом
Широкий диапазон нагрузки - поддерживает от 100 кг до 5000 кг на изолятор
Коррозионная стойкость - Стандартное цинкование с дополнительной нержавеющей сталью
Диапазон температур - Работает от -40°C до +120°C
Низкопрофильная конструкция - Компактная высота (50-200 мм) для установок с ограниченным пространством
Простая установка - предварительно просверленные монтажные отверстия с несколькими вариантами размера болтов
Не требует технического обслуживания - Запечатан для пожизненной эксплуатации
Приложения:
Оборудование для производства электроэнергии
Крупная промышленная техника
Системы отопления, вентиляции и кондиционирования воздуха (охладители, градирни)
Крепление морского двигателя
Тяжелые компрессоры и насосы
Чувствительное к вибрации лабораторное оборудование
Строительная техника
Преимущества
90% Виброизоляция - Проверено в соответствии со стандартами ISO 10816
Увеличенный срок службы оборудования - Уменьшает структурную усталость на 50%+
Амортизация - Выдействует ударным нагрузкам 8G
Экономичный - на 60% более длительный срок службы, чем обычные крепления
Глобальное соответствие - Соответствует стандартам CE, RoHS и ANSI S2.19
Двунаправленное демпфер - эффективно как на вертикальных, так и на горизонтальных осях
Сверхмощная конструкция - Усиленная стальная рама с высококачественным резиновым элементом
Широкий диапазон нагрузки - поддерживает от 100 кг до 5000 кг на изолятор
Коррозионная стойкость - Стандартное цинкование с дополнительной нержавеющей сталью
Диапазон температур - Работает от -40°C до +120°C
Низкопрофильная конструкция - Компактная высота (50-200 мм) для установок с ограниченным пространством
Простая установка - предварительно просверленные монтажные отверстия с несколькими вариантами размера болтов
Не требует технического обслуживания - Запечатан для пожизненной эксплуатации
Приложения:
Оборудование для производства электроэнергии
Крупная промышленная техника
Системы отопления, вентиляции и кондиционирования воздуха (охладители, градирни)
Крепление морского двигателя
Тяжелые компрессоры и насосы
Чувствительное к вибрации лабораторное оборудование
Строительная техника
Преимущества
90% Виброизоляция - Проверено в соответствии со стандартами ISO 10816
Увеличенный срок службы оборудования - Уменьшает структурную усталость на 50%+
Амортизация - Выдействует ударным нагрузкам 8G
Экономичный - на 60% более длительный срок службы, чем обычные крепления
Глобальное соответствие - Соответствует стандартам CE, RoHS и ANSI S2.19
Быстрая окупаемость инвестиций - Период окупаемости обычно <12 месяцев








