Стандартный амортизатор GVV
Многослойная изоляция
Вертикальное и горизонтальное поглощение
Широкий диапазон нагрузки
Защита от коррозии
Термостойкость
Быстрая установка
Низкопрофильная конструкция
Не требует технического обслуживания
MOQ:2000
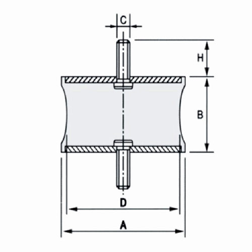
GVV МУЖСКОЙ/МУЖСКОЙ ТИП BOBBIN подходит для использования в любом приложении, нуждающемся в изоляции вибрации, где требуется мужская/мужская резьба, диапазон талии по конструкции обеспечивает улучшенное боковое движение - если у вас есть это требование для вашего применения. они доступны в натуральном каучуке в стандартной комплектации, но другие соединения доступны по запросу. Металлические детали из нержавеющей стали также доступны по запросу для крупных заказов.
Стандартный амортизатор GVV
Особенности:
Многослойная изоляция - стально-кауниновая композитная конструкция для улучшенного демпфирования
Вертикальное и горизонтальное поглощение - эффективно во всех направлениях вибрации
Широкий диапазон нагрузки - поддерживает от 50 кг до 2000 кг на изолятор
Защита от коррозии - Цинкованная сталь с опциональной нержавеющей сталью 304
Термостойкость - Работает от -40°C до +120°C
Быстрая установка - Предварительно просверленные отверстия с совместимостью болтов M12-M24
Низкопрофильная конструкция - Компактная конструкция (высота 60-150 мм)
Не требует технического обслуживания - Запечатан для пожизненной эксплуатации
Приложения:
Промышленные насосы и компрессоры
Оборудование для отопления, вентиляции и кондиционирования воздуха (охладители, градирни)
Генераторы электроэнергии (дизель/газ)
Производственное оборудование
Медицинское оборудование для визуализации
Лабораторные инструменты
Крепление морского двигателя
Преимущества:
85% Виброизоляция - Проверено в соответствии с ISO 10816-3
Увеличенный срок службы оборудования - Уменьшает износ компонентов на 40%+
Амортизация - Выдерживать ударные нагрузки 5G
Экономичный - на 50% более длительный срок службы, чем обычные крепления
Глобальное соответствие - Соответствует стандартам CE, RoHS и ANSI
Многослойная изоляция - стально-кауниновая композитная конструкция для улучшенного демпфирования
Вертикальное и горизонтальное поглощение - эффективно во всех направлениях вибрации
Широкий диапазон нагрузки - поддерживает от 50 кг до 2000 кг на изолятор
Защита от коррозии - Цинкованная сталь с опциональной нержавеющей сталью 304
Термостойкость - Работает от -40°C до +120°C
Быстрая установка - Предварительно просверленные отверстия с совместимостью болтов M12-M24
Низкопрофильная конструкция - Компактная конструкция (высота 60-150 мм)
Не требует технического обслуживания - Запечатан для пожизненной эксплуатации
Приложения:
Промышленные насосы и компрессоры
Оборудование для отопления, вентиляции и кондиционирования воздуха (охладители, градирни)
Генераторы электроэнергии (дизель/газ)
Производственное оборудование
Медицинское оборудование для визуализации
Лабораторные инструменты
Крепление морского двигателя
Преимущества:
85% Виброизоляция - Проверено в соответствии с ISO 10816-3
Увеличенный срок службы оборудования - Уменьшает износ компонентов на 40%+
Амортизация - Выдерживать ударные нагрузки 5G
Экономичный - на 50% более длительный срок службы, чем обычные крепления
Глобальное соответствие - Соответствует стандартам CE, RoHS и ANSI
Простая интеграция - Прямая замена для большинства креплений OEM








