Стандартный амортизатор DE
Система динамического реагирования
Гибридная моно-двойная трубчатая конструкция
Экологически чистая гидравлическая жидкость
Конструкция с лазерной сваркой
Многослойная система уплотнения
Легкий корпус из сплава
MOQ:2000
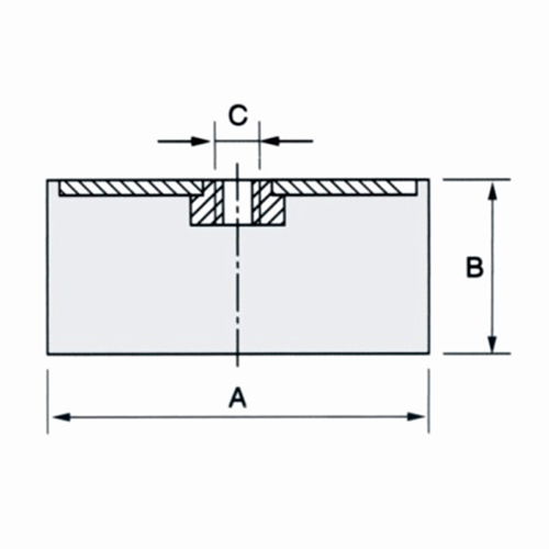
DE - это ТИП ЖЕНСКИХ БУФЕРОВ. Диапазон размеров доступен в различных размерах от 8 до 150 мм, подходит для использования в любом приложении, требующем изоляции вибрации, где требуется резьба. Они доступны в натуральном каучуке в стандарте, но другие соединения доступны по запросу. Металлические детали из нержавеющей стали также доступны по запросу для крупных заказов.
Стандартный амортизатор DE
Особенности:
Система динамического реагирования - технология автоматической регулировки демпфирования для оптимизации производительности в режиме реального времени
Гибридная моно-двойная трубчатая конструкция - сочетает в себе преимущества обеих конструкций для сбалансированной производительности
Экологически чистая гидравлическая жидкость - биоразлагаемое масло с превосходной температурной стабильностью (от -35°C до 110°C)
Конструкция с лазерной сваркой - Точное производство для герметичности
Многослойная система уплотнения - уплотнения с тройными губами с пылеочистителями для продления срока службы
Легкий корпус из сплава - Высокопрочная алюминиевая конструкция уменьшает непружинный вес
Приложения:
Седаны премиум-класса - Идеально подходят для автомобилей класса люкс и высшего класса
Высокопроизводительные внедорожники - Предназначены для высококлассных кроссоверов и внедорожников
Гибридные/электрические транспортные средства - Оптимизированы для распределения веса для EV
Туры на дальние дальние трассы - Идеально подходит для круиза по шоссе и комфорта
Urban Performance Driving - Отлично подходит для поездок по городу со случайным энергичным вождением
Преимущества:
Адаптивное качество езды - Автоматически адаптируется к дорожным условиям и стилю вождения
Энергоэффективный - Уменьшает передачу вибрации для улучшения диапазона EV
Бесшумная работа - Специальная технология шумоподавления для бесшумной работы
Точная управляемость - на 25% лучшая устойчивость на поворотах, чем обычные амортизаторы
Расширенная гарантия - 5 лет/100 000 км покрытие для душевного спокойствия
Экологически сознательный - 95% перерабатываемых материалов и чистое производство
Установка Plug-and-Play - Полный комплект со всем необходимым оборудованием в комплекте
Система динамического реагирования - технология автоматической регулировки демпфирования для оптимизации производительности в режиме реального времени
Гибридная моно-двойная трубчатая конструкция - сочетает в себе преимущества обеих конструкций для сбалансированной производительности
Экологически чистая гидравлическая жидкость - биоразлагаемое масло с превосходной температурной стабильностью (от -35°C до 110°C)
Конструкция с лазерной сваркой - Точное производство для герметичности
Многослойная система уплотнения - уплотнения с тройными губами с пылеочистителями для продления срока службы
Легкий корпус из сплава - Высокопрочная алюминиевая конструкция уменьшает непружинный вес
Приложения:
Седаны премиум-класса - Идеально подходят для автомобилей класса люкс и высшего класса
Высокопроизводительные внедорожники - Предназначены для высококлассных кроссоверов и внедорожников
Гибридные/электрические транспортные средства - Оптимизированы для распределения веса для EV
Туры на дальние дальние трассы - Идеально подходит для круиза по шоссе и комфорта
Urban Performance Driving - Отлично подходит для поездок по городу со случайным энергичным вождением
Преимущества:
Адаптивное качество езды - Автоматически адаптируется к дорожным условиям и стилю вождения
Энергоэффективный - Уменьшает передачу вибрации для улучшения диапазона EV
Бесшумная работа - Специальная технология шумоподавления для бесшумной работы
Точная управляемость - на 25% лучшая устойчивость на поворотах, чем обычные амортизаторы
Расширенная гарантия - 5 лет/100 000 км покрытие для душевного спокойствия
Экологически сознательный - 95% перерабатываемых материалов и чистое производство
Установка Plug-and-Play - Полный комплект со всем необходимым оборудованием в комплекте
Конструкция, не требующая технического обслуживания - пожизненная смазка без требований к обслуживанию








