Стандартный амортизатор GDD
Усовершенствованная гидравлическая конструкция
Усиленная конструкция
Прецизионный клапан
Защита от пыли и утечки
Термостойкая жидкость
MOQ:2000
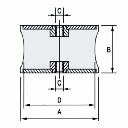
GDD ЖЕНСКИЙ/ЖЕНСКИЙ ТИП BOBBIN подходит для использования в любом приложении, нуждающемся в изоляции вибрации, где требуется мужская/женская резьба, диапазон талии по конструкции обеспечивает улучшенное боковое движение - если у вас есть это требование для вашего применения. они доступны в натуральном каучуке в стандартной комплектации, но другие соединения доступны по запросу. Металлические детали из нержавеющей стали также доступны по запросу для крупных заказов.
Стандартный амортизатор GDD
Особенности:
Усовершенствованная гидравлическая конструкция - Оптимизированная гидродинамика для более плавного демпфирования.
Усиленная конструкция - Сверхмощный стальной корпус с антикоррозионным покрытием.
Прецизионный клапан - Настроенный для сбалансированного контроля сжатия и отскока.
Защита от пыли и утечки - Многогубные уплотнения и пылезащитные сапоги для увеличенной прочности.
Термостойкая жидкость - поддерживает стабильную производительность при экстремальной жаре/холоде.
Приложения:
Седаны и внедорожники - Идеально подходит для ежедневных легковых автомобилей.
Легкое коммерческое использование - Подходит для фургонов и пикапов.
Вождение по городам и шоссе - Оптимизировано для условий асфальтированных дорог.
Умеренная грузоподъемность - Поддерживает стандартные потребности в буксировке и грузе.
Замена OEM - Прямая посадка для многих заводских моделей амортизаторов.
Преимущества:
Повышенный комфорт при езде - эффективно уменьшает вибрацию и дорожный шум.
Более длительный срок службы - на 30% долговечнее, чем основные амортизаторы.
Простая установка - Конструкция Bolt-on с прилагаемым оборудованием для большинства моделей.
Экономиальное обновление - Производительность премиум-класса по средней цене.
Усовершенствованная гидравлическая конструкция - Оптимизированная гидродинамика для более плавного демпфирования.
Усиленная конструкция - Сверхмощный стальной корпус с антикоррозионным покрытием.
Прецизионный клапан - Настроенный для сбалансированного контроля сжатия и отскока.
Защита от пыли и утечки - Многогубные уплотнения и пылезащитные сапоги для увеличенной прочности.
Термостойкая жидкость - поддерживает стабильную производительность при экстремальной жаре/холоде.
Приложения:
Седаны и внедорожники - Идеально подходит для ежедневных легковых автомобилей.
Легкое коммерческое использование - Подходит для фургонов и пикапов.
Вождение по городам и шоссе - Оптимизировано для условий асфальтированных дорог.
Умеренная грузоподъемность - Поддерживает стандартные потребности в буксировке и грузе.
Замена OEM - Прямая посадка для многих заводских моделей амортизаторов.
Преимущества:
Повышенный комфорт при езде - эффективно уменьшает вибрацию и дорожный шум.
Более длительный срок службы - на 30% долговечнее, чем основные амортизаторы.
Простая установка - Конструкция Bolt-on с прилагаемым оборудованием для большинства моделей.
Экономиальное обновление - Производительность премиум-класса по средней цене.
Низкое техническое обслуживание - Герметичная конструкция не требует периодического обслуживания.








