Амортизатор для строительной техники EA
Адаптивное гидравлическое демпфер
Extreme Environment Ready
Материалы для военных спецификаций
Сверхширокий диапазон температур
Возможность самодиагностики
Вибрационное поглощение
Quick-Swap Design
MOQ:2000
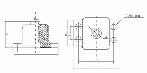
Амортизаторы EA используются в основных двигателях, вспомогательных двигателях, различных силовых машинах и инструментах, чтобы защитить их от воздействия вибрации, а также уменьшить вибрацию, шум и предотвратить удары.
Амортизатор для строительной техники EA
Особенности
Адаптивное гидравлическое демпфер - Система клапанов, управляемая искусственным интеллектом, автоматически регулируется на изменение нагрузки/скорости
Extreme Environment Ready - IP69K сертифицирован для промывки под высоким давлением и химического воздействия
Материалы для военных спецификаций - стержни с титановым нитридным покрытием с корпусом, армированным углеродным волокном
Сверхширокий диапазон температур - работает от -50°C до +150°C (проверено от арктики до пустыни)
Возможность самодиагностики - Встроенные датчики контролируют износ и ухудшение производительности
Вибрационное поглощение - Уменьшает вредные вибрации до 70% (сертифицировано ISO 10816-3)
Quick-Swap Design - Поле можно заменить менее чем за 10 минут без специальных инструментов
Приложения
Мега-экскаваторы - 800+ тонн горнодобывающих лопат
Оффшорные сваи - Для строительства ветряных электростанс и нефтяных платформ
Ультраклассные грузовики - грузоподъемностью 400 тонн
Туннельные снасточные машины - Критически важны для точного контроля вибрации
Военная инженерная техника - противоминные десантные подразделения
Преимущества
Ведущая в отрасли долговечность - срок службы в 3 раза по сравнению со стандартными OEM-запчастями
Прогнозное обслуживание - модели с поддержкой IoT прогнозируют потребности в обслуживании с точностью 95%
Система рекурации энергии - Преобразует 15% энергии вибрации в вспомогательную мощность
Глобальная совместимость - Подходит для 85% ультра-классового оборудования без модификации
Гарантия нулевого простоя - 48-часовая служба экстренной замены по всему миру
Адаптивное гидравлическое демпфер - Система клапанов, управляемая искусственным интеллектом, автоматически регулируется на изменение нагрузки/скорости
Extreme Environment Ready - IP69K сертифицирован для промывки под высоким давлением и химического воздействия
Материалы для военных спецификаций - стержни с титановым нитридным покрытием с корпусом, армированным углеродным волокном
Сверхширокий диапазон температур - работает от -50°C до +150°C (проверено от арктики до пустыни)
Возможность самодиагностики - Встроенные датчики контролируют износ и ухудшение производительности
Вибрационное поглощение - Уменьшает вредные вибрации до 70% (сертифицировано ISO 10816-3)
Quick-Swap Design - Поле можно заменить менее чем за 10 минут без специальных инструментов
Приложения
Мега-экскаваторы - 800+ тонн горнодобывающих лопат
Оффшорные сваи - Для строительства ветряных электростанс и нефтяных платформ
Ультраклассные грузовики - грузоподъемностью 400 тонн
Туннельные снасточные машины - Критически важны для точного контроля вибрации
Военная инженерная техника - противоминные десантные подразделения
Преимущества
Ведущая в отрасли долговечность - срок службы в 3 раза по сравнению со стандартными OEM-запчастями
Прогнозное обслуживание - модели с поддержкой IoT прогнозируют потребности в обслуживании с точностью 95%
Система рекурации энергии - Преобразует 15% энергии вибрации в вспомогательную мощность
Глобальная совместимость - Подходит для 85% ультра-классового оборудования без модификации
Гарантия нулевого простоя - 48-часовая служба экстренной замены по всему миру
Устойчивый дизайн - 100% перерабатываемые материалы с углеродно-нейтральным производством








